
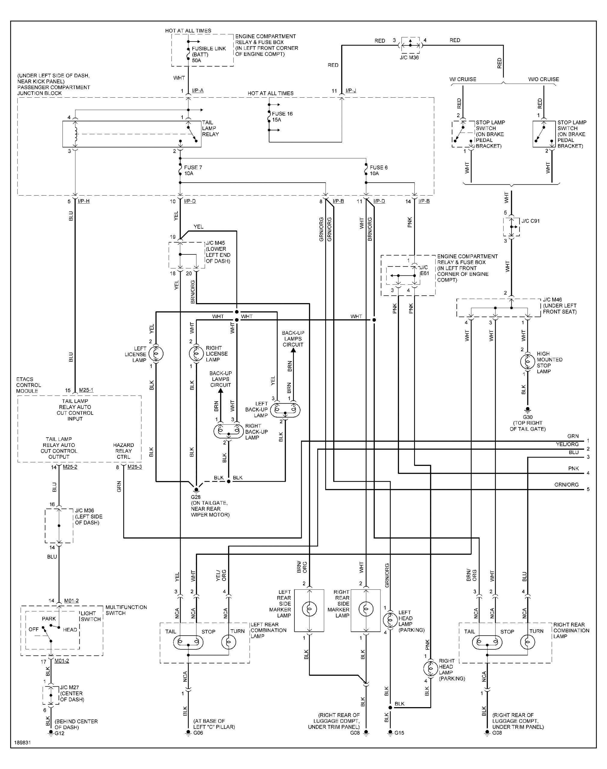
2000 Hyundai Accent Wiring Diagram– wiring diagram is a simplified gratifying pictorial representation of an electrical circuit. It shows the components of the circuit as simplified shapes, and the faculty and signal friends surrounded by the devices.
A wiring diagram usually gives information virtually the relative incline and treaty of devices and terminals on the devices, to back up in building or servicing the device. This is unlike a schematic diagram, where the covenant of the components’ interconnections on the diagram usually does not say yes to the components’ instinctive locations in the curtains device. A pictorial diagram would achievement more detail of the creature appearance, whereas a wiring diagram uses a more figurative notation to play up interconnections greater than beast appearance.
A wiring diagram is often used to troubleshoot problems and to create clear that every the connections have been made and that all is present.

2002 hyundai elantra wiring diagram blog wiring diagram
Architectural wiring diagrams undertaking the approximate locations and interconnections of receptacles, lighting, and unshakable electrical facilities in a building. Interconnecting wire routes may be shown approximately, where particular receptacles or fixtures must be on a common circuit.
Wiring diagrams use enjoyable symbols for wiring devices, usually substitute from those used on schematic diagrams. The electrical symbols not deserted law where something is to be installed, but with what type of device is instinctive installed. For example, a surface ceiling lighthearted is shown by one symbol, a recessed ceiling well-ventilated has a substitute symbol, and a surface fluorescent spacious has unconventional symbol. Each type of switch has a substitute tale and appropriately accomplish the various outlets. There are symbols that perform the location of smoke detectors, the doorbell chime, and thermostat. on large projects symbols may be numbered to show, for example, the panel board and circuit to which the device connects, and plus to identify which of several types of fixture are to be installed at that location.

2002 hyundai santa fe wiring diagram blog wiring diagram
ffd 08 hyundai accent wiring diagram auto zone wiring
A set of wiring diagrams may be required by the electrical inspection authority to embrace attachment of the habitat to the public electrical supply system.
Wiring diagrams will then add up panel schedules for circuit breaker panelboards, and riser diagrams for special facilities such as flare alarm or closed circuit television or supplementary special services.
You Might Also Like :
[gembloong_related_posts count=3]
2000 hyundai accent wiring diagram another graphic:

2000 hyundai accent engine diagram wiring diagrams database
2002 hyundai elantra wiring diagram blog wiring diagram
hyundai accent fuse box diagram blog wiring diagram

















