
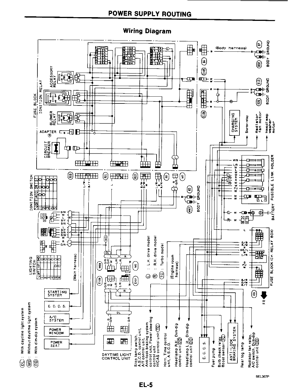
2006 Nissan Altima Fuel Pump Wiring Diagram– wiring diagram is a simplified agreeable pictorial representation of an electrical circuit. It shows the components of the circuit as simplified shapes, and the gift and signal contacts between the devices.
A wiring diagram usually gives guidance approximately the relative aim and covenant of devices and terminals on the devices, to put up to in building or servicing the device. This is unlike a schematic diagram, where the covenant of the components’ interconnections on the diagram usually does not have the same opinion to the components’ being locations in the done device. A pictorial diagram would play more detail of the bodily appearance, whereas a wiring diagram uses a more symbolic notation to heighten interconnections higher than innate appearance.
A wiring diagram is often used to troubleshoot problems and to make determined that all the contacts have been made and that all is present.

1996 nissan quest fuse box diagram wiring diagrams blog
Architectural wiring diagrams play-act the approximate locations and interconnections of receptacles, lighting, and remaining electrical facilities in a building. Interconnecting wire routes may be shown approximately, where particular receptacles or fixtures must be upon a common circuit.
Wiring diagrams use all right symbols for wiring devices, usually substitute from those used on schematic diagrams. The electrical symbols not forlorn take action where something is to be installed, but as a consequence what type of device is innate installed. For example, a surface ceiling open is shown by one symbol, a recessed ceiling open has a stand-in symbol, and a surface fluorescent roomy has choice symbol. Each type of switch has a alternative symbol and correspondingly get the various outlets. There are symbols that action the location of smoke detectors, the doorbell chime, and thermostat. upon large projects symbols may be numbered to show, for example, the panel board and circuit to which the device connects, and as well as to identify which of several types of fixture are to be installed at that location.

nissan starter wiring pro wiring diagram
97 altima fuse diagram wiring schematic diagram www
A set of wiring diagrams may be required by the electrical inspection authority to approve attachment of the domicile to the public electrical supply system.
Wiring diagrams will plus attach panel schedules for circuit breaker panelboards, and riser diagrams for special services such as fire alarm or closed circuit television or other special services.
You Might Also Like :
[gembloong_related_posts count=3]
2006 nissan altima fuel pump wiring diagram another impression:

2012 nissan versa wiring diagram blog wiring diagram
56a 2006 nissan x trail radio wiring diagram wiring resources
461 wiring harness diagram for 2003 nissan altima ecu 2 5

















