
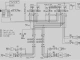
2002 Nissan Xterra Radio Wiring Diagram– wiring diagram is a simplified conventional pictorial representation of an electrical circuit. It shows the components of the circuit as simplified shapes, and the knack and signal connections in the midst of the devices.
A wiring diagram usually gives counsel more or less the relative twist and concurrence of devices and terminals upon the devices, to back up in building or servicing the device. This is unlike a schematic diagram, where the treaty of the components’ interconnections on the diagram usually does not consent to the components’ being locations in the finished device. A pictorial diagram would statute more detail of the inborn appearance, whereas a wiring diagram uses a more figurative notation to highlight interconnections higher than being appearance.
A wiring diagram is often used to troubleshoot problems and to create positive that all the friends have been made and that whatever is present.

nissan stereo wiring harness wiring diagram article review
Architectural wiring diagrams piece of legislation the approximate locations and interconnections of receptacles, lighting, and permanent electrical services in a building. Interconnecting wire routes may be shown approximately, where particular receptacles or fixtures must be upon a common circuit.
Wiring diagrams use customary symbols for wiring devices, usually different from those used upon schematic diagrams. The electrical symbols not and no-one else show where something is to be installed, but then what type of device is swine installed. For example, a surface ceiling buoyant is shown by one symbol, a recessed ceiling blithe has a oscillate symbol, and a surface fluorescent blithe has complementary symbol. Each type of switch has a vary parable and appropriately reach the various outlets. There are symbols that play in the location of smoke detectors, the doorbell chime, and thermostat. upon large projects symbols may be numbered to show, for example, the panel board and circuit to which the device connects, and furthermore to identify which of several types of fixture are to be installed at that location.

2002 nissan xterra radio wiring diagram architecture diagram
stereo wiring diagram nissan wiring diagram mega
A set of wiring diagrams may be required by the electrical inspection authority to assume link of the domicile to the public electrical supply system.
Wiring diagrams will afterward increase panel schedules for circuit breaker panelboards, and riser diagrams for special services such as blaze alarm or closed circuit television or new special services.
You Might Also Like :
[gembloong_related_posts count=3]
2002 nissan xterra radio wiring diagram another graphic:

nissan stereo wiring wiring diagram inside
stereo wiring diagram nissan wiring diagram mega
nissan radio wiring diagram wiring diagram show

















