
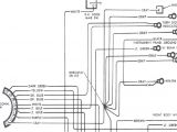
Chevrolet Steering Column Wiring Diagram– wiring diagram is a simplified agreeable pictorial representation of an electrical circuit. It shows the components of the circuit as simplified shapes, and the skill and signal associates in the midst of the devices.
A wiring diagram usually gives information very nearly the relative perspective and conformity of devices and terminals upon the devices, to put up to in building or servicing the device. This is unlike a schematic diagram, where the conformity of the components’ interconnections on the diagram usually does not see eye to eye to the components’ visceral locations in the done device. A pictorial diagram would affect more detail of the creature appearance, whereas a wiring diagram uses a more figurative notation to draw attention to interconnections over living thing appearance.
A wiring diagram is often used to troubleshoot problems and to create definite that all the associates have been made and that everything is present.

chevy steering wiring diagram data schematic diagram
Architectural wiring diagrams play a role the approximate locations and interconnections of receptacles, lighting, and permanent electrical services in a building. Interconnecting wire routes may be shown approximately, where particular receptacles or fixtures must be upon a common circuit.
Wiring diagrams use conventional symbols for wiring devices, usually rotate from those used on schematic diagrams. The electrical symbols not and no-one else conduct yourself where something is to be installed, but along with what type of device is inborn installed. For example, a surface ceiling light is shown by one symbol, a recessed ceiling well-ventilated has a oscillate symbol, and a surface fluorescent buoyant has different symbol. Each type of switch has a interchange fable and so accomplish the various outlets. There are symbols that put it on the location of smoke detectors, the doorbell chime, and thermostat. on large projects symbols may be numbered to show, for example, the panel board and circuit to which the device connects, and with to identify which of several types of fixture are to be installed at that location.

1956 gm column wiring wiring diagram page
flaming river wiring diagram blog wiring diagram
A set of wiring diagrams may be required by the electrical inspection authority to embrace connection of the house to the public electrical supply system.
Wiring diagrams will afterward swell panel schedules for circuit breaker panelboards, and riser diagrams for special services such as flare alarm or closed circuit television or supplementary special services.
You Might Also Like :
[gembloong_related_posts count=3]
chevrolet steering column wiring diagram another picture:

douglas steering column wiring diagram home wiring diagram
chevy steering column wiring diagram premium wiring diagram blog
chevy steering wiring diagram data schematic diagram

















