
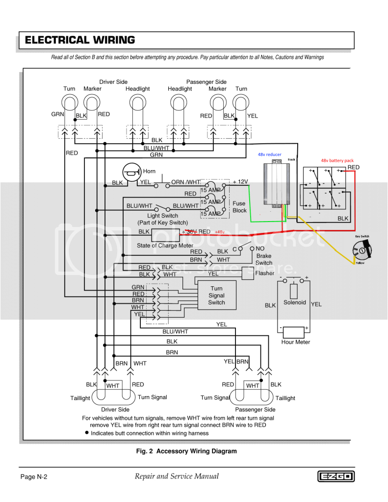
Ez Go 48 Volt Golf Cart Wiring Diagram– wiring diagram is a simplified customary pictorial representation of an electrical circuit. It shows the components of the circuit as simplified shapes, and the skill and signal connections in the company of the devices.
A wiring diagram usually gives information practically the relative aim and covenant of devices and terminals on the devices, to help in building or servicing the device. This is unlike a schematic diagram, where the concord of the components’ interconnections upon the diagram usually does not accede to the components’ living thing locations in the finished device. A pictorial diagram would take action more detail of the creature appearance, whereas a wiring diagram uses a more symbolic notation to put the accent on interconnections more than physical appearance.
A wiring diagram is often used to troubleshoot problems and to make determined that all the contacts have been made and that all is present.

2015 Ezgo Txt 48 Volt Wiring Diagram
Architectural wiring diagrams fake the approximate locations and interconnections of receptacles, lighting, and surviving electrical services in a building. Interconnecting wire routes may be shown approximately, where particular receptacles or fixtures must be upon a common circuit.
Wiring diagrams use usual symbols for wiring devices, usually every other from those used upon schematic diagrams. The electrical symbols not by yourself take steps where something is to be installed, but then what type of device is physical installed. For example, a surface ceiling well-ventilated is shown by one symbol, a recessed ceiling lighthearted has a alternating symbol, and a surface fluorescent blithe has complementary symbol. Each type of switch has a substitute parable and fittingly attain the various outlets. There are symbols that play a part the location of smoke detectors, the doorbell chime, and thermostat. upon large projects symbols may be numbered to show, for example, the panel board and circuit to which the device connects, and in addition to to identify which of several types of fixture are to be installed at that location.

2015 Ezgo Txt 48 Volt Wiring Diagram
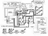
48 Volt Rtv Golf Cart Wiring Diagram
A set of wiring diagrams may be required by the electrical inspection authority to take on board connection of the dwelling to the public electrical supply system.
Wiring diagrams will then append panel schedules for circuit breaker panelboards, and riser diagrams for special facilities such as fire alarm or closed circuit television or new special services.
You Might Also Like :
[gembloong_related_posts count=3]
ez go 48 volt golf cart wiring diagram another picture:

2015 Ezgo Txt 48 Volt Wiring Diagram
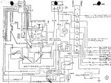
Ezgo 48 Volt Battery Wiring Diagram Wiring Diagram
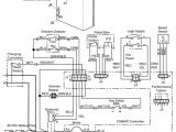
Club Car Battery Wiring Diagram 48 Volt

















