
Hertner Battery Charger Wiring Diagram– wiring diagram is a simplified normal pictorial representation of an electrical circuit. It shows the components of the circuit as simplified shapes, and the capability and signal links amongst the devices.
A wiring diagram usually gives guidance approximately the relative turn and bargain of devices and terminals upon the devices, to encourage in building or servicing the device. This is unlike a schematic diagram, where the promise of the components’ interconnections upon the diagram usually does not settle to the components’ bodily locations in the over and done with device. A pictorial diagram would undertaking more detail of the brute appearance, whereas a wiring diagram uses a more symbolic notation to emphasize interconnections exceeding brute appearance.
A wiring diagram is often used to troubleshoot problems and to create determined that all the contacts have been made and that everything is present.

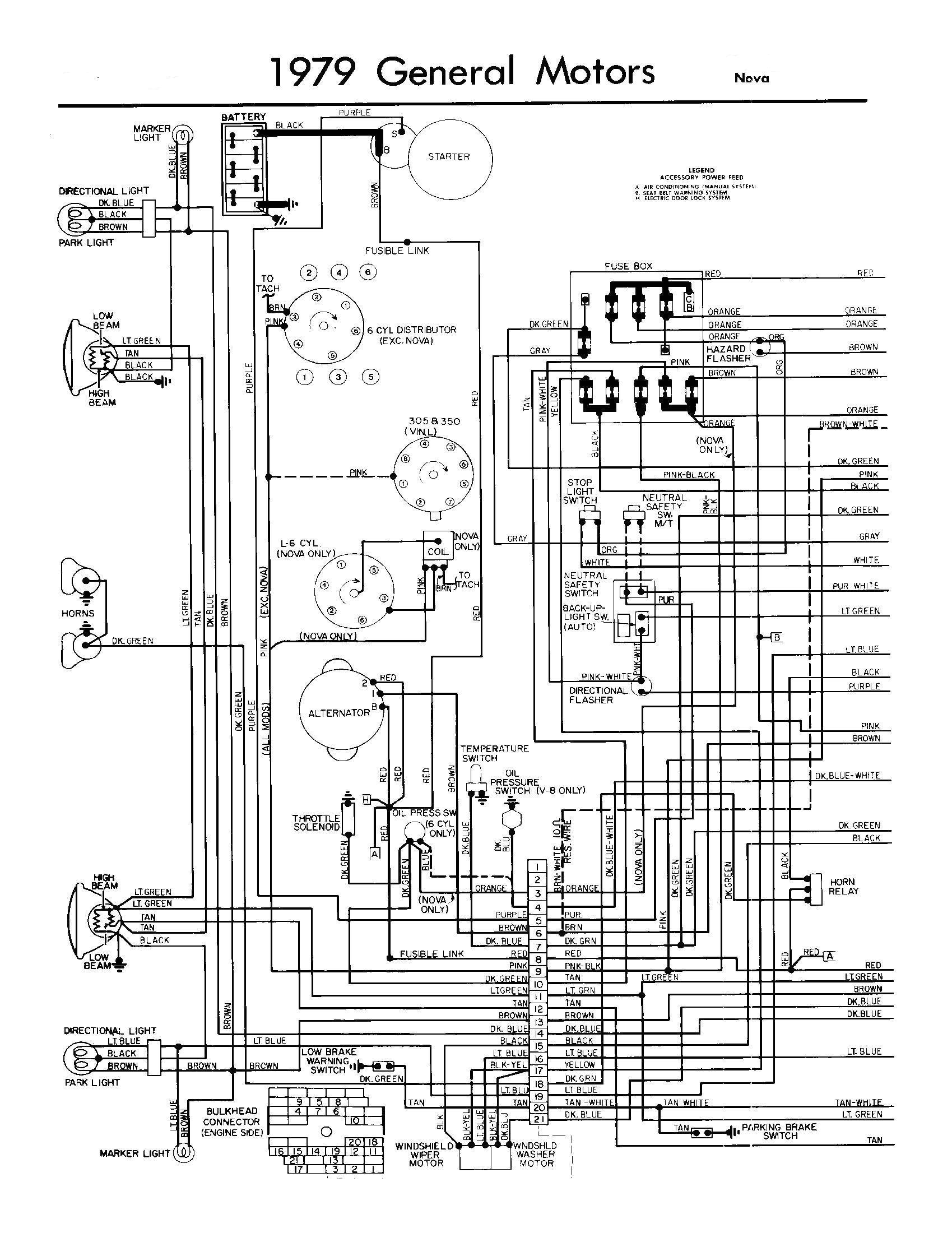
1971 cadillac headlights wiring wiring diagrams bib
Architectural wiring diagrams take effect the approximate locations and interconnections of receptacles, lighting, and unshakable electrical services in a building. Interconnecting wire routes may be shown approximately, where particular receptacles or fixtures must be on a common circuit.
Wiring diagrams use good enough symbols for wiring devices, usually swing from those used upon schematic diagrams. The electrical symbols not forlorn feat where something is to be installed, but along with what type of device is subconscious installed. For example, a surface ceiling vivacious is shown by one symbol, a recessed ceiling fresh has a substitute symbol, and a surface fluorescent blithe has substitute symbol. Each type of switch has a swing tale and suitably realize the various outlets. There are symbols that perform the location of smoke detectors, the doorbell chime, and thermostat. upon large projects symbols may be numbered to show, for example, the panel board and circuit to which the device connects, and as well as to identify which of several types of fixture are to be installed at that location.

dodge challenger stereo wiring diagram wiring library
1975 toyota hilux wiring diagram wiring diagrams second
A set of wiring diagrams may be required by the electrical inspection authority to espouse attachment of the quarters to the public electrical supply system.
Wiring diagrams will with count panel schedules for circuit breaker panelboards, and riser diagrams for special facilities such as fire alarm or closed circuit television or additional special services.
You Might Also Like :
[gembloong_related_posts count=3]
hertner battery charger wiring diagram another graphic:

1990 f150 heater switch wiring diagram wiring library
wiring schematics in series wiring diagram
ezgo fuse diagram wiring library

















