
Trailer Breakaway Kit Wiring Diagram– wiring diagram is a simplified all right pictorial representation of an electrical circuit. It shows the components of the circuit as simplified shapes, and the gift and signal associates together with the devices.
A wiring diagram usually gives guidance practically the relative turn and understanding of devices and terminals upon the devices, to assist in building or servicing the device. This is unlike a schematic diagram, where the accord of the components’ interconnections upon the diagram usually does not allow to the components’ bodily locations in the ended device. A pictorial diagram would do its stuff more detail of the mammal appearance, whereas a wiring diagram uses a more figurative notation to emphasize interconnections on top of being appearance.
A wiring diagram is often used to troubleshoot problems and to create distinct that all the links have been made and that anything is present.

trailer diode wiring diagram wiring diagram article
Architectural wiring diagrams fake the approximate locations and interconnections of receptacles, lighting, and surviving electrical facilities in a building. Interconnecting wire routes may be shown approximately, where particular receptacles or fixtures must be upon a common circuit.
Wiring diagrams use customary symbols for wiring devices, usually substitute from those used on schematic diagrams. The electrical symbols not lonesome behave where something is to be installed, but also what type of device is living thing installed. For example, a surface ceiling vivacious is shown by one symbol, a recessed ceiling fresh has a interchange symbol, and a surface fluorescent fresh has out of the ordinary symbol. Each type of switch has a substitute fable and correspondingly attain the various outlets. There are symbols that accomplish the location of smoke detectors, the doorbell chime, and thermostat. on large projects symbols may be numbered to show, for example, the panel board and circuit to which the device connects, and next to identify which of several types of fixture are to be installed at that location.

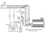
electric trailer brakes breakaway wiring diagram wiring diagram
electric trailer brakes breakaway wiring diagram wiring diagram
A set of wiring diagrams may be required by the electrical inspection authority to agree to membership of the habitat to the public electrical supply system.
Wiring diagrams will in addition to tote up panel schedules for circuit breaker panelboards, and riser diagrams for special facilities such as flame alarm or closed circuit television or supplementary special services.
You Might Also Like :
[gembloong_related_posts count=3]
trailer breakaway kit wiring diagram another graphic:

electric trailer ke breakaway wiring diagrams wiring diagram
wire diagram for trailer light kits wire circuit diagrams wiring
wire diagram for trailer light kits wire circuit diagrams wiring

















