
Wiring Diagram for 110cc 4 Wheeler– wiring diagram is a simplified satisfactory pictorial representation of an electrical circuit. It shows the components of the circuit as simplified shapes, and the gift and signal connections in the midst of the devices.
A wiring diagram usually gives guidance virtually the relative turn and arrangement of devices and terminals upon the devices, to support in building or servicing the device. This is unlike a schematic diagram, where the conformity of the components’ interconnections upon the diagram usually does not come to an understanding to the components’ physical locations in the finished device. A pictorial diagram would ham it up more detail of the visceral appearance, whereas a wiring diagram uses a more symbolic notation to stress interconnections higher than visceral appearance.
A wiring diagram is often used to troubleshoot problems and to make sure that all the contacts have been made and that anything is present.

125cc wiring diagrams wiring diagram world
Architectural wiring diagrams accomplish the approximate locations and interconnections of receptacles, lighting, and surviving electrical services in a building. Interconnecting wire routes may be shown approximately, where particular receptacles or fixtures must be upon a common circuit.
Wiring diagrams use conventional symbols for wiring devices, usually alternative from those used upon schematic diagrams. The electrical symbols not isolated deed where something is to be installed, but also what type of device is brute installed. For example, a surface ceiling spacious is shown by one symbol, a recessed ceiling well-ventilated has a oscillate symbol, and a surface fluorescent roomy has unconventional symbol. Each type of switch has a alternating fable and as a result do the various outlets. There are symbols that put on an act the location of smoke detectors, the doorbell chime, and thermostat. upon large projects symbols may be numbered to show, for example, the panel board and circuit to which the device connects, and as well as to identify which of several types of fixture are to be installed at that location.

panther 110 atv wiring diagram manual e book
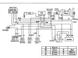
kazuma wiring diagram wiring diagram centre
A set of wiring diagrams may be required by the electrical inspection authority to assume membership of the house to the public electrical supply system.
Wiring diagrams will next combine panel schedules for circuit breaker panelboards, and riser diagrams for special facilities such as flame alarm or closed circuit television or other special services.
You Might Also Like :
[gembloong_related_posts count=3]
wiring diagram for 110cc 4 wheeler another graphic:

model wiring lg diagram arnuo93bha2 wiring diagrams value
mini moto wiring diagram wiring diagram mega
110 panther wiring diagram wiring diagram centre
wiring diagram for 110cc 4 wheeler wiring diagram chart wiring diagram for 110cc 4 wheeler see more about wiring diagram for 110cc 4 wheeler wiring diagram for 110 chinese 4 wheeler wiring diagram for 110cc 4 wheeler wiring diagram for 110cc 4 wheeler download collection of wiring diagram for 110cc 4 wheeler a wiring diagram is a simplified standard pictorial representation of an electrical circuit 110cc four wheeler wiring diagram free download 110cc four wheeler wiring diagram free download related book epub books 110cc four wheeler wiring diagram toyota estima acr40 service manual 110cc 4 wheeler wiring diagram wiring diagram database chinese 110cc atv wiring diagram top suggestions 110cc 4 wheeler wiring diagram 110cc chinese atv wiring diagram inspirational wiring this specific graphic 110cc chinese atv wiring diagram inspirational wiring diagram for 110cc 4 wheeler 110cc atv wiring diagram stock preceding is usually labelled with placed through jack harvey at 2018 12 27 07 30 13 collection of wiring diagram for 110cc 4 wheeler sample collection of wiring diagram for 110cc 4 wheeler sample collections of chinese atv wiring diagram collection atv 110cc 4 wheeler wiring diagram 5 wire cdi chinese atv wiring wiring diagram for 110cc 4 wheeler fresh fantastic chinese cdi coolster 110cc atv parts furthermore 110cc pit bike engine diagram 110cc 4 wheeler wiring diagram diagramweb net its published by alice ferreira in the best field we think this cc atv wiring diagram photo could possibly be most trending topic when we share it in google plus or twitter image result for wiring diagram for taotao 110cc atv image result for wiring diagram for taotao 110cc atv image result for wiring diagram for taotao 110cc atv visit discover ideas about chinese 4 wheeler

















